LPC铰接系列位移传感器
直线位移传感器,工作量程可达750mm
圆形直径35mm
特点:
.双端轴承受力杆
.铰接头部安装万向头,可提供大角度自由运动(大至±12.5%)
.使用寿命长-运动次数大于50×106 次
.线性优异±0.05%
.分辨率高于0.01mm
.高运行速度10m/s
.DIN43650标准插头和插座
.防护等级IP65
.绝对值测量,无需断电记忆或回原点
.该系列传感器用于测量和控制系统中,对位移和长度进行直接和绝*测量。传感器的结构设计上考虑方便安装及拆卸。传感器表面经过特殊处理,可在高速低磨损状态下工作,传感器前端铰接头可以克服传动杆的一些微小侧向应力,保证传感器的正常工作。传感器导电塑料材料固定和结构设计等工艺保证即使在恶劣的条件下传感器也能可靠工作。滑应用:注塑机、液压机、木工机械、煤矿机械、自动化控制等众多领域。
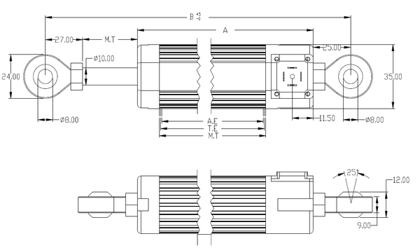
参数及图纸:

电气参数: |
工作量程 (TET) | 50mm~750mnm 注:50mm~750mm(+25mm); |
可用电性行程 | TET |
独立线性率 | ≤±1%-≤±0.1% ≤±0.05%≥100mm, ≤±0.025%≥200mm |
电性总行程(AET) | TET+2mm |
标准阻值 | 5ΚΩ;10ΚΩ |
电阻 | ±20% |
可重复性 | ≤ ±0.01% |
滑刷工作电流 | ≤ 1uA |
*大工作电压 | 42 V |
机械行程(M.T) | TET+10mm |
外壳长度(尺寸A) | TET+136mm |
2个球铰接头距离(B) | TET+188mm |
工作原理 | Voltage divider分压器 |
*大工作电压 | 42 V |
分辨率 | infinite无* |
环境参数: |
温度范围 | -50~+120 | ℃ |
抗振动指标 | 5~2000 | Hz |
Amax=0.75 | mm |
amax=20 | g |
抗冲击指标 | 50 | g |
| 11 | ms |
使用寿命 | >100×106 | 次 |
工作速度 | 10 | m∕s*大 |
运行加速度 | 200(20g) | m∕s2*大 |
防护等级 | IP65 |
|
发货内容包括 推荐辅件
1个圆接头 位移传感器显示仪
信号转换器用于标准信号输出:0-5V/0-10V; 4-20mA
RS232/422/485等。