上海欧牧电子科技有限公司

专业位移传感器
电话:18317153168

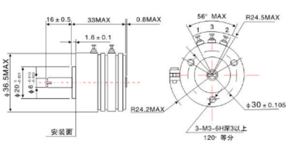
WDD-2D35-D4C角度传感器

WDD-2D35-D4C角度传感器
产品详情

WDD-2D35-D4C系列角度传感器

说明:Detailed description:

标准阻值±20%
Standard resistance

独立线性
Independent linearity

机械角度
Mechanical angle

有效角度
Active angle

使用寿命
Operating life

1; 2; 3; 5KΩ

≤1%~0.1%

360°

180°   345°

50x106

可选择≤10k
Optional≤10k ohm

可选择应用
Option on request


可供特需角度
Optional angle

总阻变化≤10%
Resistance change≤10%



咨询服务
 
 
【客服微信】
2656777100