上海欧牧电子科技有限公司

专业位移传感器
电话:18317153168

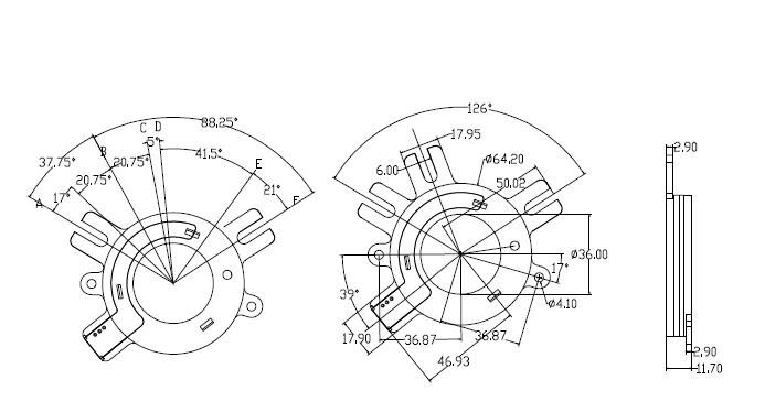
WAL-600系列角度传感器

WAL-600系列角度传感器
产品详情

WAL-600系列角度传感器





电 气 特 性

机械特性

电阻

2×10KΩ

旋转次数

500,000

电阻误差

±20%

机械角度

126°

电气角度

41.5+43.5°

防护等级

IP50

独立线性度

0.5%

扭矩

0.7cNm

额定功率

0.5W/Ta40℃



推荐电刷电流

<0.1μA



大工作电流

10mA



大阻值

500



绝缘电阻

10GΩ/500VDC



耐压

1000VAC/1min



温度系数

50ppm/℃



T.C. 分压器漂

10ppm/℃




环 境 条 件

材 料

存储温度

-40   +105℃

外壳

热塑性塑料

工作温度

-25℃ +85℃

转子

热塑性塑料

气候类型

25/085/56

连接器

3口插头

冲击

50G



振动

10G




咨询服务
 
 
【客服微信】
2656777100