上海欧牧电子科技有限公司

专业位移传感器
电话:18317153168

WDD-D22-M-SF9角度传感器

WDD-D22-M-SF9角度传感器
产品详情

WDD-D22-M-SF9角度传感器

二、详细参数:

产品型号 MODLE

            WDA-D22-SF9

电气参数 Electrical



阻值范围 Resistance Range

2kΩ / 5kΩ

阻值误差 Resistance tolerance

+10% +20%   Standard

残留阻抗 End Resistance

<0.5%

阻值变化规律 Resistance taper

B(JIS直线 JIS LINERA)

线性精度 independent linearity

+ 3%

额定功率 power rating

0.5W(70℃)0W(120℃)

接触电阻变化 peak noise (c.r.v.)

<2%Rn

耐电压 dielectric strength

1000V 1minute

有效电气行程 adjustment travel

240°      340°

绝缘电阻 insulation resistance

100MΩ

分辩率 resolution

infinite

工作电压 maximum input voltage

DC30V

环境参数 environmental


存储温度 storage       temperature range


-60℃ ~+125℃

使用温度 operating temperature range

-60℃ ~+125℃

温度系数 temperature coefficient

500ppm/℃

电气耐久性 load life

70℃ 1,000h; △R/R≤±10%

旋转寿命 rotational life

3.000.000次,△R/R≤±7%

IP防护等级 IP range

IP65

耐焊接热 soldering heat resistance

( 350℃ 3S )   △R/R≤±2%

热循环 temperature cycle

(-25℃ +85℃ 30min/each、 5cycles)   △R/R≤±10%

振动 vibration

10-55Hz, 1.5mm 振幅 amplitude, 3 方向directions △R/R≤±5%

机械参数 mechanical

尺寸 size

见附图 See drawing

机械行程 mechanical travel

360°

旋转力矩 shaft torque

50-50gfNaN

止挡力矩 stop strength

_

锁紧力矩 mounting nut torque

15kgfNaN

轴跳动 shaft runout

0.15mm

轴端间隙 shaft end play

(出轴长度shaft length 30mm) 0.15mm

径向间隙 shaft radial play

0.15mm

轴的推力 shaft strength (push)

125N(12.75kgf)min.

轴的拉力 shaft strength(tensile)

125N(12.75kgf)min.

标记 marking

---

配件 hardware

---



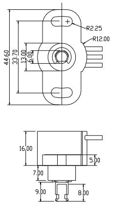
三、产品尺寸图:三、产品尺寸图:


咨询服务
 
 
【客服微信】
2656777100