OMN系列液压缸专用磁致伸缩位移传感器
应用行业
l 铸锻机床位移控制
l 注塑机模板定位与监测
l 木材加工定位控制
l 其它机械定位和位移检测
l 水轮机导叶开度的检测与控制
l 汽车其它机械定位和位移检测等
l 研磨机械位置反馈或预置
l 伺服汽缸活塞位置反馈或预置
l 伺服液压油缸活塞位置反馈或预置
l 磁致伸缩(Absopos)的运作原理是通过分析两个磁场相互感应的反馈信号而达致。 一磁场是利用一个磁铁在传感器外壳上
运行。二磁场是由脉冲产生器产生。当两个磁场互相感应,一个位置信号便会以超声波速度反馈。电路系统便会对超声波的波形进行分析,继而输出一个分辨率的位置信号,让机台可以实时进入生产状态。
l磁致伸缩位移传感器的优势
l 直接取替电阻式电位器,而无须机械修改。
l 开放式导轨型外壳设计能减少因安装失误而损坏传感器。
l 铝成型外壳能配合两种形式的永久磁铁滑块进行非接触式测量。
l 磁致伸缩位移传感器采用非接触式超声波测量技术。能提供线性和位置测量。
标准规格 |
|
|
| 测量数据 | 直线位移 |
| 供应电源 | +24Vdc (20.4 - 28.8Vdc) |
| 输入保护 | 极性保护至-30Vdc, 过压保护至36Vdc |
| 用电量 | 50-140mA (按量程而定) |
| 绝缘强度 | 500Vdc (DC地端对机器接地端) |
| 输出 | 0-10Vdc, 10-0Vdc双输出, 最低负载电阻5kΩ |
| 分辨率 | (取决於控制器A/D与电源纹波) |
| 重复精度 | 满量程的 < ±0.005% |
| 非线性度 | 满量程的 < ±0.01% (最大 ±90μm) |
| 工作温度 | - 40至85℃ |
| 防护级数 | IP65(当正确连接上插头时) |
| 振盪指标 | 10-2000Hz / IEC标準68-2-6 |
| 冲击指标 | 100g (单一冲击) / IEC标準68-2-27 (耐久性) |
| 更新时间 | 0.5ms 1200mm以内 / 1.0ms2400mm以内/ 2.0ms 4800mm以内 |
| 抗压强度 | 安装在液汽缸内时为600bar |
| 固定方式 | 螺纹 M20 X 2.0 |
| 外壳材料 | 铝,经阳极化处理/外保护管为, 法兰盘为304不锈钢精密铸造 |
1.OMN系列液压缸专用磁致伸缩位移传感器是专为液压缸而设计。耐压外管与六角法兰为100%不锈钢,可以直接安装进液压缸里。电子部分与耐压
外管为模块组装设计,即两者可完全分离。在特殊情况下,只需拨出电子部份进行校准,而耐压外管无需与液压缸分离。此设计减少
重置液压缸时间,大大提高生产效率。 电子部份为IP65等级,防尘和防潮保护。输出连接为业界常用的
油制插头(DIN 43650),既方便又容易接线。除了适合液压系统外,也同样适合机械外置安装。在无需定期维护情况下,提供
准确的重复输出。
lOMN系列液压缸专用磁致伸缩位移传感器(磁铁安装指引)

lOMN系列液压缸专用磁致伸缩位移传感器(液压缸安装图例)

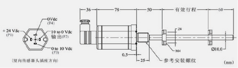
lOMN系列液压缸专用磁致伸缩位移传感器(外壳尺寸)
