弹簧自复式光栅尺
MNGS光栅自复测微传感器,是以高精度光栅作为检测元件的精密测量装置.它是检测装置与数字显示为一体的 新型高精度数自化检测仪器.其优点是高精度,稳定可靠,读数准确直观.安装简单.携带方便.也可同过串并口和计算 机连接.保存数据.并打印出测量数据和绘制误差曲线
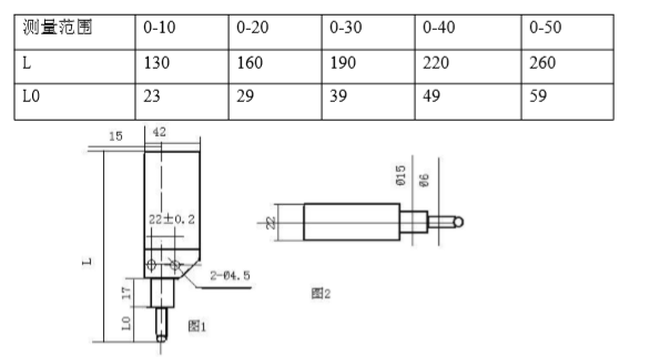
一. 主要技术参数
1.测量范围:0-10mm .0-20mm.0-30mm.0-40mm. 0-50mm.(0-100mm 定做)
2.栅距: 10um.20um.
3.显示分辨率:0.1um. 0.5μm. 1μm. 5μm.
4.准确度: ±0.5um(0-10mm). ±5um(0-20mm). ±5um(0-50mm).
5.重复精度: ±1 个显示值.
6.信号输出:相位依次相差 90º幅值>500mv.二路或四路正弦信号(特殊要求可带 0 位)
7:工作电压:DC5V±3% (24V 可订制)
8.工作温度: 40℃--30℃.储存温度.-30℃-7℃
二:外型尺寸:长×宽×厚=L×42×22(mm).L0 测杆伸出长度.


三 产品特点
本产品具有测量精度高,体积小等优点,这使得其在很多场合有广泛应用,无论是测量长度、高度、厚度、 间距或直线位移,还是在精度检测站、设备标定等方面,都能实现快速、可靠的测量。 光栅测微传感器,是以光栅作为检测元件的精密测量装置。与数显表配套,组成高精度数字化测量仪器。 可以代替机械式千分表、扭簧比较仪、深度尺、电感测位移和精密量块,配以适当的转换器,可将位移、温度、 压力、硬度、重量等参数转换为数字量。用于自动化大生产中在线监测及精密仪器的位置检测。其优点是测量值 数字化显示,精度高,稳定可靠,读数直观准确。亦可把测量数据输入计算机打印出测量数据或绘出曲线。
规格/型号
MNGS-10 MNGS20 MNGS30 MNGS-50 0-100mm 可订制
有效量程 10mm 20mm 30mm 50mm
测量范围 0~10mm 0~20mm 0-~30mm 0~50mm
输出信号 TTL EIA-422-A
工作电压 5V ±5%
分辨率 5um 1um 0.5un/0.1um
防护等级 IP60
工作温度 10~40℃
注意:需要 24V 工作电源订购时请说明
四、使用安装
微位移光栅传感器主要用于精密测量。所以为了保证测量精度和使用寿命,请正确安装使用本产品。 使用时除保证环境条件外,正确的安装与使用不仅保证测量精度,还能延长使用寿命。光栅测微传感器正确 安装位置是测杆朝下或水平放置。其正确的安装方式应为测量杆垂直于被测物体,垂直度<0.10mm。安装方式为三 种:(1)使用主体自身 M4 丝孔,间距 18±0.2mm,用 M4 螺钉固定。(2)用 M3 螺钉穿过主体上间距为 18±0.2mm, M4 丝孔的底孔与后面的丝孔连接。(3)将前端Φ14.5 轴径夹紧。安装固定后,调整测量杆中心与被测物体垂直。 亦可以做 RS-232 与计算机直接连接完成数据通讯.RS232 串行口数据输出是光栅传感器内部设有数据采集电路.通 过串口输出数据计算机采集处理完成一系列指令.串口波特率为 9600(可根据需要设),8 位数据位,1 位停止位, 输出字符串长度为 8 个字节,输出格式为:”X “ + “NNNNN”,其中 X 字符 NNNNN 为 5 个字节长的整数。通过 串口发送一个 ASCII 字符“0”,则数显表将当前显示的位置值·发送“C” 则数显表为清零。RS232 尺寸 L=160mm 左 右 使用时,测头接触基面,数显表清零,轻轻提起测杆,当测头接触被测工件表面时,数显表显示值就是测量 值。切忌快推或快速释放测杆,以免损坏光栅或因撞击影响传感器精度。